PVC U TRANSPARENT ROHRE UND FITTINGE
|
|
Transparent Rohrsysteme finden Ihren Einsatzbereich in der klassischen Labor, Lebensmittel- und Pharmatechnik. Insbesondere in chemischen Prozessen, dient ein Transparent Rohr als optisches Überwachungsinstrument bei sicherheitsrelevanten Prozessen zur Kontrolle des Mediums. In der Rohrleitungstechnik allgemein, zur Füllstandskontrolle von Behälter aus Kunststoff und zu Schulungszwecken, bietet Kwerk.de ein großes Sortiment an Transparent Rohren und Fittingen aus PVC U. Fragen Sie uns einfach an. Technische Daten: - Temperatureinsatzbereichen 0 - 60°C - Betriebsdruck bis PN 25, je nach Abmessung NORMENfür Zoll Abmessung -Fittinge: Bs 4346 Part 1, ASTM D 2467, ASTM S 2466 -Rohre: EN 1452, ASTM D 1785, ASTM D 2241 für DIN Abmessungen -Rohre nach DIN 8062 (nur Maße) |
![]() |
PVC U TRANSPARENT ROHR IN DIN ABMESSUNGENWerkstoff: PVC U ohne Weichmacher nach DIN 8061 Farbe: transparent Abmessung: nach DIN ISO 15493, DIN 806 Rohrlängen: 5 Meter, mit glatten Enden Mindestbestellmenge: 5 Meter, Zuschnitte auf Anfrage möglich ACHTUNG: wir weisen ausdrücklich darauf hin, dass es zu DIN Rohr keine handelsüblichen Fittings in TRANSPARENT gibt. Andere Ausführungen und Werkstoffkombinationen auf Anfrage möglich. Alle Artikel finden Sie auch im Webshop Information zur Tabelle: alle Artikel sind in der Spalte Wandstärke mit einem Link in den Webshop hinterlegt! ![]() |
|
|||||||||||||||||||||||||||||||||||||||||||||||||||||||||||||||||||||||||||||||||||||||||||||||||||||||||||||||||||||||||||||||||||||||||||||||||||||||||||||||||||||||||||||||||||||||||||||||||||||||||||||||||||||||||||||||||||||||||||||||||||||||||||||||||||||||||
PVC U TRANSPARENT BÖGENBEIDE SEITEN KLEBEMUFFE, AUS ROHR HERGESTELLTBiegeradius R in Abhängigkeit vom Rohrdurchmesser, bis d 90 mm R= 2,5 x d, ab d 110 mm 3,5 x d Andere Ausführungen und Werkstoffkombinationen auf Anfrage möglich. Alle Artikel finden Sie auch im Webshop |
![]() |
|
EINE SEITE KLEBEMUFFE, ANDERE SEITE KLEBESTUTZEN, AUS ROHR HERGESTELLTBiegeradius R in Abhängigkeit vom Rohrdurchmesser, bis d 90 mm R= 2,5 x d, ab d 110 mm 3,5 x d Andere Ausführungen und Werkstoffkombinationen auf Anfrage möglich. Alle Artikel finden Sie auch im Webshop |
![]() |
|
BEIDE SEITEN KLEBESTUTZENBiegeradius R in Abhängigkeit vom Rohrdurchmesser, bis d 90 mm R= 2,5 x d, ab d 110 mm 3,5 x d Andere Ausführungen und Werkstoffkombinationen auf Anfrage möglich. Alle Artikel finden Sie auch im Webshop |
![]() |
|
BEIDE SEITEN KLEBESTUTZEN - SONDERAUSFÜHRUNG -Biegeradius R in Abhängigkeit vom Rohrdurchmesser, Ausführung siehe Tabelle Andere Ausführungen und Werkstoffkombinationen auf Anfrage möglich. Alle Artikel finden Sie auch im Webshop |
![]() |
|
180° BOGEN AUS ROHR HERGESTELLTBiegeradius R in Abhängigkeit vom Rohrdurchmesser, bis d 90 mm R= 2,5 x d, ab d 110 mm 3,5 x d Bitte beachten Sie: wir fertigen auch nach Kundenwunsch in allen Gradzahlen und wenn technisch machbar auch in andere Größen. Bitte senden Sie uns hierzu eine Anfrage oder rufen Sie uns einfach an. Alle Artikel finden Sie auch im Webshop |
![]() |
|
PVC U TRANSPARENT ROHR in Zoll ABMESSUNGENWerkstoff: PVC U Farbe: transparent Abmessung: Schedule 40 und 80 nach EN 1452, ASTM D 1785, ASTM D 2241 Rohrlängen: 3 Meter, mit glatten Enden Mindestbestellmenge: 10 Feet, ca. 3 Meter, Zuschnitte auf Anfrage möglich Alle Artikel finden Sie auch im Webshop ![]() |
|
||||||||||||||||||||||||||||||||||||||||||||||||||||||||||||||||||||||||||||||||||||||||||||||||||||||||||||||||||||||||||||||||||||||||||||||||||||||||||
PVC U TRANSPARENT FITTINGE IN Zoll ABMESSUNGENWerkstoff: PVC U Farbe: transparent Normen: BS 4346 Part 1, ASTM D 2467, ASTM S 2466 Bitte beachten Sie: zu diesem Fittingen, passt nur das entsprechende Zoll-Rohr. Alle Artikel finden Sie auch im Webshop |
|
||||||||||||||||||||||||||||||||||||||||||||||||||||||||||||||||||||||||||||||||||||||
PVC U TRANSPARENT KUGELHAHNNeu im Lieferprogramm d 20 mm - d 63 mm |
![]() |
![]() |
![]() |
![]() |
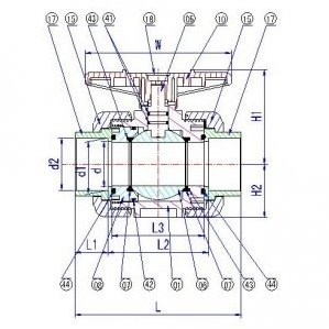
VOM PRAKTIKER FÜR DEN PRAKTIKERZusammen mit unserem Partner, entwickeln und konzipieren wir 2/2 Wege Kugelhähne für die Wassertechnik aus PVC U Transparent. Der 2-Wege Kugelhahn, ist ausgeführt in der Ausführung Verschraubung mit Klebemuffe und kann bei Bedarf auch mit Innengewindeanschlüssen aus PVC U grau angeboten werden. Das Kugelhahngehäuse, die Einlegeteile und die Überwurfmuttern, bestehen aus dem Werkstoff PVC U Transparent. Der Ventilsitz ist in PTFE ausgeführt und die O-Ringe können wahlweise in EPDM und FPM geliefert werden. Der Griff zum Absperren des Kugelhahn besteht aus dem Werkstoff ABS. Der Kugelhahn kann mit einem Betriebsdruck von max. 10 bar, bei einer Temperatur von 20°C betrieben werden. Bitte beachten Sie beim Einsatz der Armatur, immer das Druck- Temperaturdiagramm für PVC U Transparent. Gerne beantworten wir Ihnen hierzu auch entsprechende Anfragen. |
![]() |
UNSER LIEFERPROGRAMM2/2 Wege Kugelhahn aus PVC U Transparent, Anschluss Klebemuffe DIN, O-Ringe EPDM |
|
![]() |
![]() |
| Gerne unterbreiten wir Ihnen für Ihren Bedarf ein Angebot, senden Sie uns einfach eine Anfrage
|
PVC TRANSPARENT - ANWENDUNGSBEISPIELE - |
WIR FERTIGEN VOM PRAKTIKER FÜR DEN PRAKTIKERNeben den handelsüblichen PVC Transparent Fittings und Rohren, bieten wir auch sog. Anarbeitungen in PVC U Transparent an. Sowohl für das DIN und das Zoll Rohr, bieten hier vielfältige Möglichkeiten in der Fertigung. Bitte beachten Sie : - bei der optischen Betrachtung, die Möglichkeit des bläulichen Erscheinungsbildes von PVC U Transparent in Zoll und auch im DIN Bereich. - beim Kleben von PVC U Transparent, verändert sich die Farbe der Klebestelle und wirkt leicht weißlich. - das Schweißen mit transparentem Draht ist eine gängige Verbindungstechnik, die Schweißnaht wirkt aber nicht mehr transparent. Unsere weiteren Fertigungsmöglichkeiten: - Zuschnitte nach Kundenvorgabe - Anbringen von Gewindeanschlüssen - Anbringen von Abgängen - Rohrformteile nach Kundenvorgabe etc. Gerne unterbreiten wir Ihnen ein kostenloses unverbindliches Angebot. |
![]() |
![]() |
![]() |
![]() |
![]() |
![]() |
![]() |
![]() |
![]() |
![]() |
![]() |
![]() |
![]() |
![]() d 225mm mit Verschluß, Länge 2840mm |
![]() |
![]() |
![]() |
![]() für KG Rohre d 160 mm |
![]() |
![]() |
![]() |
![]() |
![]() 8 Zoll Transparent Rohr mit beidseitigen PVC Flanschen 2.500 mm lang |
![]() |
![]() |
![]() |
![]() |
![]() |
![]() |
![]() |
![]() Länge 2000 mm |
![]() Länge 4000 mm |
![]() PVC U Transparent Flansch d 160 mm mit Rohr verschweißt |
![]() PVC U Transparent Schweißnähte |
![]() PVC Transparent Säule mit Abgängen |
![]() PVC Transparent Säule mit Flansch |
![]() |
![]() |
|
|
Ihre Wünsche, unsere Lösungen - Ein umfangreiches Lieferprogramm nach Maß. |
KunststoffrohrsystemeRohrsysteme aus Kunststoff im Überblick Technische Informationen ABS Rohrsysteme Technische Informationen PVC U Rohrsysteme Technische Informationen PVC U Transparent Rohrsysteme Technische Informationen PVC C Rohrsysteme Technische Informationen PP Rohrsysteme Technische Informationen PP-R Rohrsysteme Technische Informationen PE Rohrsysteme Technische Informationen PVDF Rohrsysteme ChemiedurTechnische Informationen UP-GF (GFK) Rohrsysteme UP-GF (GFK) Rohre UP-GF (GFK) Formteile und Verbindungen UP-GF-PP (GFK) Formteile und Verbindungen UP-GF (GFK) Klebebunde UP-GF (GFK) Losflansche PP/GFK Schmutzfänger DN 200 - DN 500 GFK/CSS Schmutzfänger DN 200 - DN 500 PP/GFK Schrägsitzschmutzfänger DN 200 - DN 400 GFK und PP/GFK Mannlochdeckel DN 500 - DN 800 KunststoffrohreRohrzuschnitssrechner Sägehinweise Kunststoffrohre Kunststoffrohr - Restebörse Normung - Kunststoffrohre und Formteile PVC U Rohrabweichungen Druckverlust PVCU, PVCC und ABS Rohrsysteme Unterschied Rp, R und G Gewinde Schraubenlängen für Flanschverbindungen Dichtungen: PTFE, NBR, FKM, EPDM KunststoffarmaturenPVC U Transparent Kugelhahn Membranventile Blockventile Absperrklappen Nadelventile aus Kunststoff |
Kunststoffarmaturen nach ATEXATEX-Leitlinien allgemein Neue EU Richtlinie 2014/34/EU Kunststoffarmaturen in Ex-Zonen Schmutzfänger PP-EL DN 15 - DN 50 Rückschlagventil PP-EL DN 15 - DN 50 Schrägsitzventil PP-EL DN 15 - DN 50 Kleben von KunststoffrohrenKlebeanleitung Klebeanleitung per Video KunststoffschweißenHinweise zum Extrusionsschweissen Gitterroste / TragrosteGFK Gitterroste Gitterroste PP -el elektrisch Leitfähig Profiltragroste PP -el elektrisch Leitfähig LüftungsformteileLüftungstechnik Revisionsdeckel für Lüftungskanäle Luftstromüberwachung ChemieschlauchPVC Transparentschlauch mit Textileinlage Industrie- und ChemiebehälterDosierbehälter-Konfigurator Dosierbehälter und Überbehälter 35 1000 Liter Salzlösebehälter 60 -5000 Liter Lagerbehälter & Bottiche Lagerbehälter für Wasser Sicherheits- und Auffangwannen Lieferprogramm Industriebehälter Dosierbehälter mit Rührwerk Rührwerk für Dosierbehälter Dosierbehälter mit Anbauvarianten Dosierbehälter aus Plattenmaterial Chemiebehälter - Kundenlösungen Dosierbehälter mit Füllstandsanzeigen GFK Behälter für den schweren Chemieeinsatz |
IBC TANK / CONTAINERIBC Schraubdeckel DN 150/DN 200 IBC Adapter aus PE IBC Adapter aus PP MULTI FLEX BLOCK für IBC Bulk Container Sauglanze für MULTI FLEX BLOCK und IBC Bulk Container Heizhaube für IBC Bulk Container Anwendungsbeispiele
|
Kunststoff-DrehteileEinlegteile Einschraubteile Gewindefittings Verschraubungen Kunststoff-FrästeileLos- und Blindflansche aus Platten Statische MischerStatische Mischer aus Kunststoff KompensatorenKompensatoren für Kunststoffrohrsysteme SchmutzfängerEinzel- und Doppelschmutzfänger Topfschmutzfänger DN 300 Schrägsitzschmutzfänger DN 500 DurchflussmesserSchwebekörperdurchflussmesser Konfigurator für Durchflussmesser Messwertgeber für Schwebekörperdurchflussmesser Nebenstrom - Durchflussmesser FilterpressenLaborfilterpresse SpritzgussteileSchaber aus PE für Filterpressen Kwerk Praxis BlogHier bloggt das Kwerk Team aus der Praxis Westerwald - SpezialWesterwälder Säurekitt Kwerk GmbH InternationalUnsere Webseite in Englisch |
Partnerschaft auf höchstem Niveau |
|
|
|
|
|
|
|